一、拓扑结构

二、工作波形图

三、模态分析
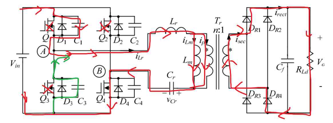
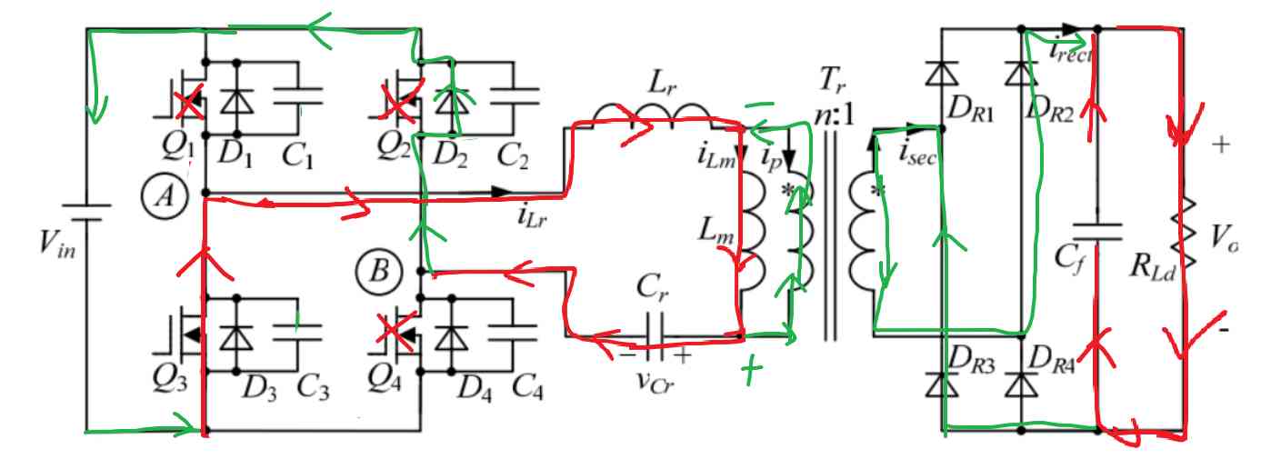
①在模态[t0-,t0+]时刻

在t0时刻之前,Q1 和Q2 导通,Q3 和 Q4 截止,加在 A、B 两点的电压为 0,Lr、Cr和Lm共同谐振,谐振电感电流iLr与励磁电感电流iLm相等,并流过Q1 和Q2,变压器原副边均无电流,负载由输出电容供电。
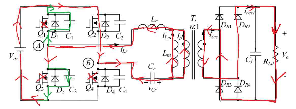
②在模态[t0,t1]时刻

t0时刻,关断Q2,此时谐振电感电流iL给C2充电,同时给C4放电,此时有一部分电流流向如绿线所示,由于C4放电,那么只能从C3抽电荷,并且励磁电流会补充C3的电荷。由于C2和 C4的缓冲作用,Q2是零电压关断。由于这段时间很短,可近似认为iLr和iLm均保持不变,负载依然由输出电容供电。
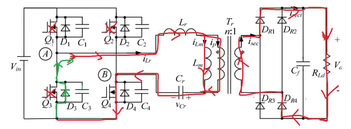
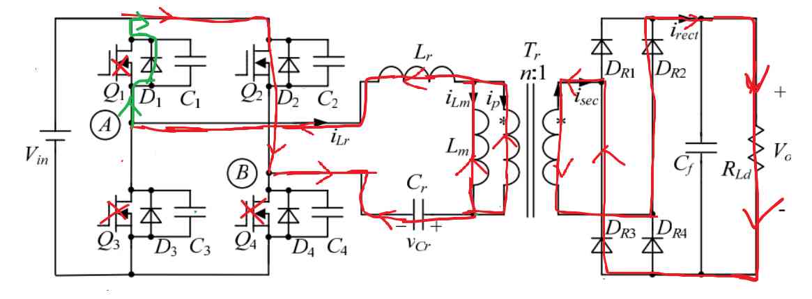
③在模态[t1,tx]时刻

在t1+时刻,C2 电压上升到Vin,C4的电压下降到零,反并二极管 D4 导通,这时可以零电压开通Q4。此时,VAB=Vin,iLr、iLm开始增加(反向减小),iLr增加较快(反向减小),整流管DR1 和 DR4 导通,将变压器副边电压箝在 Vo,相应的,变压器原边电压为 nVo,iLm线性增加。而(Vin-nVo)加在 Lr和 Cr组成的谐振网络上,Lr和Cr谐振工作。
这里有个点要注意的,波形图中,Q4开通的时间正好在t1,我觉得可以在t1~tx之间都能开启,此时分两种管子,如果是IGBT,那么在t1-tx之间是否开通管子,电流都流过D4体二极管,但是如果是SiC的MOS管,电流就会流过阻抗更低的管子。
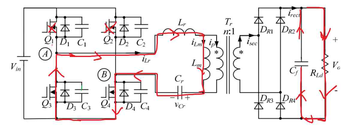
④在模态[tx,t2]时刻

此时的Q1,Q4均为导通状态,会到了正常的LLC的模式,这里我就不赘述了,疑惑的可以看看我写的变频的LLC模态变频的LLC模态
⑤在模态[t2,t3]时刻

在t2时刻,关断Q1,iLr给C1 充电,同时给C3放电。整流管DR1和DR4仍然导通。
⑥在模态[t3,t4]时刻

在t3时刻,Va的电压被放到0,此时D3导通,那么AB的压差就为0,这时可以零电压开通 Q3,虽然VAB=0,但是由于谐振电容Cr的存在,不会立刻让变压器两端电压为0,此时仍然继续传递能量给副边,谐振电流依旧在减少。在这个时候,管子导通就流过管子(MOS管),没有导通就走体二极管。
⑦在模态[t4,t5]时刻

在t4 时刻,iLr 与 iLm相等,此时变压器原边电流 ip减小到零,整流管 DR1 和 DR4 的电流也相应减小到零,因此它们为零电流关断,不存在反向恢复问题。负载由输出电容供电。在该时段内,Lr与Lm串联与 Cr 谐振工作,由于 Lm较大,iLr近似保持不变,Cr被恒流充电。
⑧在模态[t5,t6]时刻

t5 时刻,关断 Q4,此时谐振电感电流 iL 给 C4 充电,同时给 C2放电,此时有一部分电流流向如绿线所示,由于C2放电,那么只能从C1抽电荷,并且励磁电流会补充C1的电荷。由于这段时间很短,可近似认为iLr 和 iLm均保持不变,负载依然由输出电容供电。
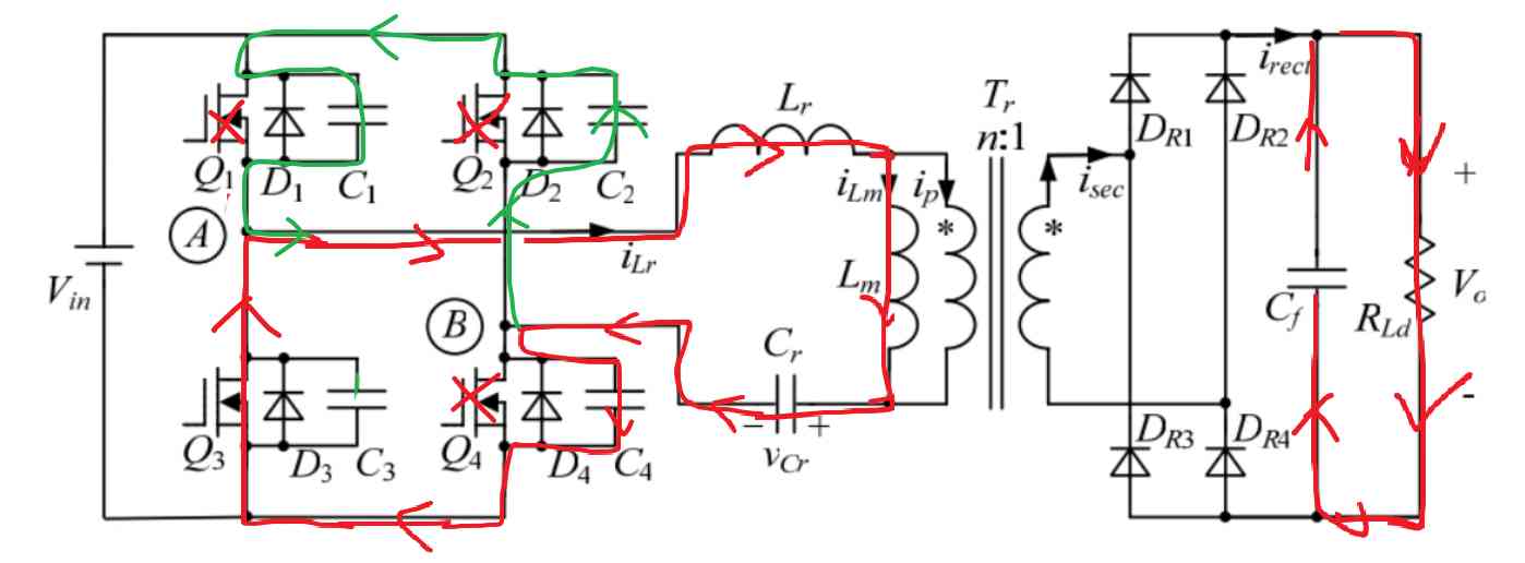
⑨在模态[t6,t7]时刻

在Q2没有开通之前,此时C4已经被充到Vin,D2导通,VAB=-Vin,在t6时刻就会传递能量,励磁电流近似保持不变,此时打开Q2,Q2是零电压开通。在t6~t7这段时间,就是正常的LLC原边方向工作的时候,这边不在赘述。
⑩在模态[t7,t8]时刻

在t7时刻,Q3关闭,谐振电流给C3充电,给C1放电。DR2和DR3仍然导通。
⑪在模态[t8,t9]时刻

在t8时刻,Va的电压充到Vin,此时D1导通,那么AB的压差就为0,这时可以零电压开通 Q1,虽然VAB=0,但是由于谐振电容Cr的存在,不会立刻让变压器两端电压为0,此时仍然继续传递能量给副边,谐振电流依旧在减少。在这个时候,管子导通就流过管子(MOS管),没有导通就走体二极管。之后就回到了模态①的时候。
四、参考文献
《全桥LLC谐振变换器的混合式控制策略》--李 菊
