一、拓扑结构

二、工作波形图

三、模态分析
①在模态[t0-,t0+]时刻

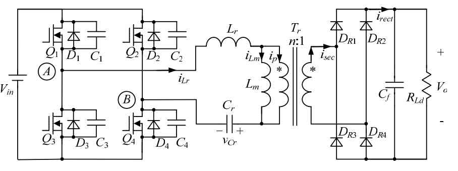
在t0时刻之前,Q1 和Q2 导通,Q3 和 Q4 截止,加在 A、B 两点的电压为 0,Lr、Cr和Lm共同谐振,谐振电感电流iLr与励磁电感电流iLm相等,并流过Q1 和Q2,变压器原副边均无电流,负载由输出电容供电。
②在模态[t0,t1]时刻

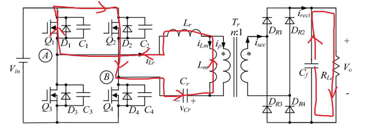
t0时刻,关断Q2,此时谐振电感电流iL给C2充电,同时给C4放电,此时有一部分电流流向如绿线所示,由于C4放电,那么只能从C3抽电荷,并且励磁电流会补充C3的电荷。由于C2和 C4的缓冲作用,Q2是零电压关断。由于这段时间很短,可近似认为iLr和iLm均保持不变,负载依然由输出电容供电。
③在模态[t1,tx]时刻

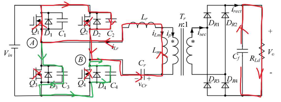
在t1+时刻,C2 电压上升到Vin,C4的电压下降到零,反并二极管 D4 导通,这时可以零电压开通Q4。此时,VAB=Vin,iLr、iLm开始增加(反向减小),iLr增加较快(反向减小),整流管DR1 和 DR4 导通,将变压器副边电压箝在 Vo,相应的,变压器原边电压为 nVo,iLm线性增加。而(Vin-nVo)加在 Lr和 Cr组成的谐振网络上,Lr和Cr谐振工作。
这里有个点要注意的,波形图中,Q4开通的时间正好在t1,我觉得可以在t1~tx之间都能开启,此时分两种管子,如果是IGBT,那么在t1-tx之间是否开通管子,电流都流过D4体二极管,但是如果是SiC的MOS管,电流就会流过阻抗更低的管子。
