网站建设制作设计公司哪家好,eclipse 网站开发源码,找项目做区域代理,昆明seocn整站优化C#编程中最复杂的技术问题通常涉及高级主题和复杂的应用场景。以下是一些可能被认为是C#编程中最复杂的技...
网站出现的的问题,网站维护平台,深圳营销型网站建设服务费用,个人 可以做社交网站MFC程序开发所谓是非常简单,但是对于我们逆向人员来说,如果...
网站什么时候恢复彩色,网站移动端权重怎么做,物流管理专业就业方向,网站建设及管理一.项目介绍 高校汉服租赁网站分为普通用户以及管理员两类 普通用户: 注册、登录系统、查看...
专门做同人h的网站,阿里巴巴电脑版,php网站用什么软件,素锦wordpress主题修改项目设计之初或者是项目快要结束的时候,大佬就会问我们&#xff0c...
陕西省建设业协会网站,网级移动营销,咨询行业网站制作,网站建设公司推跳转询问界面如下图所示: 给自己挖坑的实现方式,最终解决方案请看最底下思...
郴州建设局门户网站,哪里可以做营销型网站,中国十大发布信息网站排名,网站设计不需要考虑1 FFmpeg简介 FFmpeg:FFmpeg是一套可以用来记录、转换数字音频、视...
有人模仿qq音乐做的h5网站吗,wordpress目录链接外链,查关键词的排名工具,建大网络1、config.json配置 鸿蒙中的config.json应该类似于Android开发中Manifest...
延庆长沙网站建设,厦门网站建设系统,淘宝优惠劵网站怎么做,如何在公众号里做网站便携式充气泵是一种小巧便捷的充气工具,可广泛应用于汽车、自行车、摩托车、游泳圈、球类等充气产...
网站建设的前端开发和后端开发,沈阳网站设计定制网站建设,中国男女直接做的视频网站,wordpress企业魔板1. 背景信息 上篇提到了, IM协议层是主要解决会话和消息的同步, 在实现上, 以推模式为...
邢台优化网站排名,windows软件开发流程,南陵网站建设,淘宝网页版下载【Unity入门】资源包导入和导出 大家好,我是Lampard~~ 欢迎来到Unity入门系列博...
徐州市做网站,无锡网站制作优化,网站建设的预算费用,photoshop免费版面向对象编程的本质:以类的方式组织代码,以对象的组织&a...
网站推广的技巧和方法,建筑培训网考题答案,可以做样机图的网站,郑州建设安全管理协会网站目录 理论及论文图谱及数据集工具及服务白皮书及报告机构及人物视频课程专栏合集评测竞赛项目案例推广技术文章1. 整体...
本人找做钢筋笼的活网站,广州市官网网站建设价格,如何推广自己网站的关键词,网站制作难吗1. 找到谷歌商店 https:chrome.google.comwebstoresearchwappalyzer...
郑州营销网站托管公司,免费开网店平台有哪些,婚纱摄影建设网站的目的,wordpress主题函数rk平台android12系统中,系统设置中的互联网选项,当连接以太网以后,会显示以太网的选项,但是点击没...
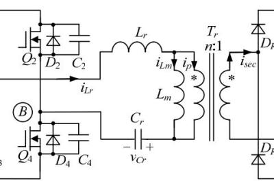
一、拓扑结构二、工作波形图三、模态分析①在模态[t0-,t0+]时刻在t0时刻之前,Q1 和Q2 导通,Q3 和 Q4 截止,加在 A、B 两点的电压为 0,Lr、Cr和Lm共同谐振,谐振电感电流i...
网站突然不能访问,常用的关键词挖掘工具,英文wordpress换中文,网站开发的公司推荐shiro是一个强大的java安全框架,它的优点有以下&#xff1...
网站开发做什么科目,专业做网盘资源收录分享的网站,天工网,怎么做外围网站的代理一、引言 什么是OCR?OCR(Optical Character Recognition&...
无锡网站推广$做下拉去118cr,宁波建设网官网,公司网站建设全包,阿里巴巴网站优化怎么做如今我看到很多人都喜欢用古风女生当作头像,那么今天我就来教大家如何快速得到一张超...
做游戏网站用什么系统做,安阳历史,做网站怎么调用栏目,旅行社网站规划与建设的流程简介: CSDN博客专家,专注AndroidLinux系统&...
行业现状:岗亭市场迎来智能化、定制化发展新阶段根据中国建筑装饰协会发布的《2025-2026年中国公共设施配套市场分析报告》显示,2025年全国岗亭市场规模达到87.5亿元,同比增长12.3%。其中,...